Menu
-
MENU
Ver todas as categorias
- Abrasivos E Discos De Serra
- Ferramentas De Bancada Grande Porte
- Peças De Reposição
- Peças Liquidação
- Ferramentas Elétricas
- Ferramentas Manuais
- Ferramentas À Bateria
- Brocas E Cizéis
- Acessórios
- Epi's E Segurança
- Dremel Microretifica Máquinas/Acessórios
- Abafador de ruído
- Adesivos E Lubrificantes
- Diversos
- Diversos
- Itens Inativos
- Kit e peças
- Lavadoras
- Medição
- Peças Dewalt e outras
- Peças e kits makita
- Produtos Automotivos
- Serras de corte
- Serviços
- kits pneumaticos
-
Ferramentas
Elétrica- Chave de Impacto
- Compressores
- Cortadora De Vidro
- Cortador de Piso
- Eletro Bomba
- Esmerilhadeira
- Ferramentas Para Jardinagem
- Ferramentas Pneumáticas
- Furadeira
- Geral
- Lixadeira
- Martelo
- Misturador
- Multiferramenta
- Parafusadeira
- Pistola de Pintura
- Plaina
- Politriz
- Retifica
- Serra Circular
- Serra Esquadria
- Serra Fita
- Serra Marmore
- Serra Sabre
- Serra Tico Tico
- Soprador Térmico
- Tupia
- Vibrador de Concreto
- Ver todos
-
Ferramentas
à Bateria- Adaptador
- Aparador de Cerca Viva
- Aparador de Grama
- Aspirador de pó
- Bateria
- Bomba De Vácuo
- Cafeteira
- Chave de Impacto
- Cortadora de Vidro
- Cortador de Metal
- Esmerilhadeira
- Fresadora de Junção
- Furadeira
- Jaqueta
- Lanterna
- Lavadora
- Lixadeira
- Martelete
- MultiFerramenta
- Parafusadeira
- Pinador/Grampeador
- Pistola Calafetar
- Plaina
- Recortadora de Gesso
- Retífica
- Rádio
- Serra Circular
- Serra Corrente
- Serra Esquadria
- Serra Fita
- Serra Sabre
- Serra Tico-tico
- Soprador de Folhas
- Tesoura Punção
- Tupia
- Vibrador de Concreto
- multicortadora
- Ver todos
-
Peças de
Reposição- Abraçadeira
- Acoplamento
- Adaptador
- Alavanca
- Alma Flexivel
- Alça
- Amortecedor
- Barra
- Batedor
- Batente
- Borne
- Braço
- Cabo Elétrico
- Came
- Capacitor
- Carcaça
- Carcaça Rolamento
- Chapa
- Chave
- Cilindro
- Cinta
- Circuito
- Condensador
- Condutor
- Conector
- Conjunto Reposição
- Conjunto engrenagem para Parafusadeira
- Contrapeso
- Corrediça
- Defletor de ar
- Disco
- Empunhadeira
- Escala
- Estribo
- Fixador
- Fixador
- Guia
- Haste
- Jogo de Reparo
- Junta
- Lente
- Luva
- Módulo
- Percussor
- Pino
- Placa
- Proteção
- Punho
- Regulador
- Rolete
- Suporte
- Tampa
- Terminal
- Trava
- Tubo
- elemento do filtro
- protetor do disco
- Anel Oring
- Anel trava
- Anel Arruela
- Arraste
- Base
- Biela
- Botão
- Bucha
- Carcaça de Engrenagem
- Chaveta
- Comutador
- Correia
- Eixo
- Engrenagem
- Engrenagem Pinhão
- Escova de Carvão
- Esfera
- Estator Bobina de Campo
- Flange
- Gatilho
- Geral / Diversos
- Induzido Rotor
- Interruptor
- LINHA GASOLINA
- Luva de Engate
- Luva - Porta Ferramentas
- Mancal
- Mola
- Peças
- Motor
- Motor Parafusadeira
- Parafuso
- Pistão
- Polia
- Porca
- Porta escova
- Proteçao de Cabo
- Remanufaturados
- Resistência
- Retentor
- Rolamento
- Roldana
- Ventoinha
- Ver todos
- EPI
- Adesivos e Lubrificantes
- Abrasivos
- Vista Explodida
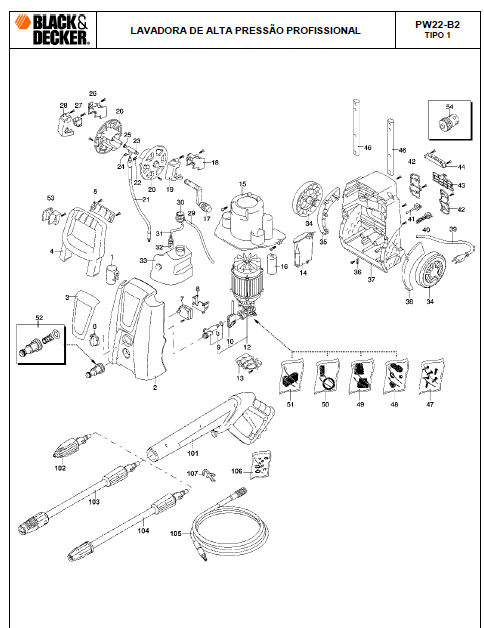
Peças para
Lavadora de alta pressão profissional-PW22-B2-Black&decker
Código: Vista_Explodida_PW22-B2Clique nos círculos da foto para visualizar cada item
Adicionado para comprar junto
Clique nos
círculos do mapa
ao lado para
comprar as peças.
círculos do mapa
ao lado para
comprar as peças.
Descrição
Vista explodida Lavadora de alta pressão profissional-PW22-B2-Black&decker


(48) 3626-1215
4836261215
atendimento@reposicaoonline.com.br
Av. Expedicionário José Pedro Coelho, 940 Sala 01 Centro CEP 88704-306 - Tubarão - Santa Catarina - SC
- Institucional
- Quem Somos
- Política de Privacidade
- BLOG
- Política de Entrega
- Fale Conosco
- Compras
- Meus Pedidos
- Minha Conta
- Rastrear Pedido
-
Entrega | Rastrear Pedido
- Entregamos em todo o Brasil
- Correios
- Sedex
- Transportadora
-
Formas de pagamento
- Bandeiras
-
Institucional
-
Dúvidas
-
Compras
Central de Atendimento